Tillers FG FG100 FG100 A1/A FZCV-6000001-9999999 TRANSMISSION - Frisco Lawn & Power Equipment

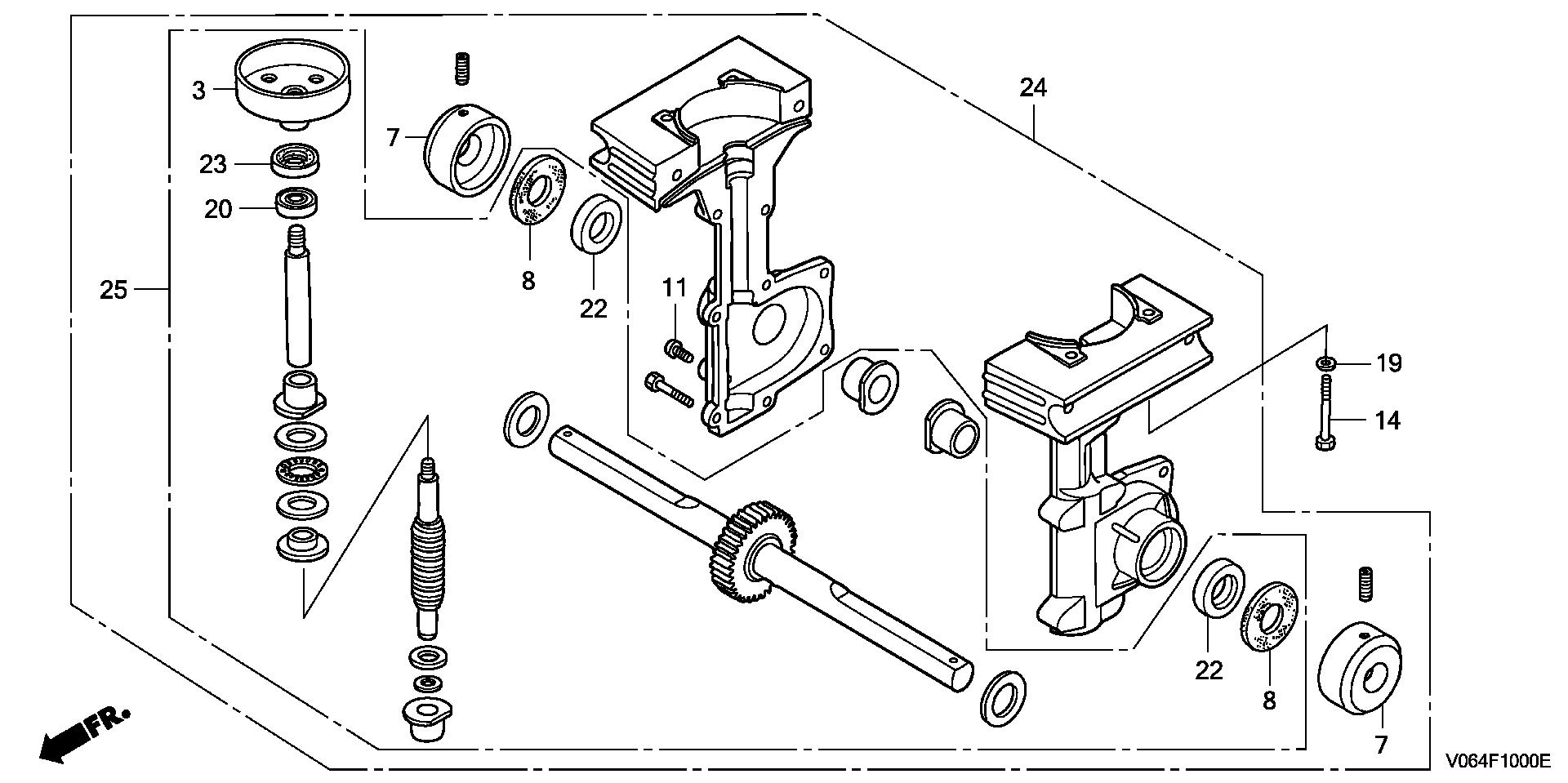
Ref No
Part Number
Description
Serial Range
Qty
Price

Ref No
3
Part Number
22100-V06-000
Description
CLUTCH (OUTER)
Serial Range
1000001 - 9999999
Qty
Price
$47.78

Ref No
7
Part Number
23374-V06-003
Description
CAP, DUST PROTECTOR
Serial Range
1000001 - 9999999
Qty
Price
$11.36

Ref No
8
Part Number
23375-V06-003
Description
SEAL, FELT
Serial Range
1000001 - 9999999
Qty
Price
$2.52

Ref No
11
Part Number
90101-V06-003
Description
SCREW, PHILLIPS (1/4-20X1/2)
Serial Range
1000001 - 9999999
Qty
Price
$0.28

Ref No
14
Part Number
90107-V06-003
Description
SCREW (1/4-20X2)
Serial Range
1000001 - 9999999
Qty
Price
$7.54

Ref No
19
Part Number
90508-V06-003
Description
WASHER, LOCK
Serial Range
1000001 - 9999999
Qty
Price
$0.22

Ref No
20
Part Number
91051-V06-003
Description
BEARING, ROLLER
Serial Range
1000001 - 9999999
Qty
Price
$7.08

Ref No
22
Part Number
91251-V06-003
Description
DUST SEAL
Serial Range
1000001 - 9999999
Qty
Price
$2.80

Ref No
23
Part Number
91252-V06-003
Description
DUST SEAL
Serial Range
1000001 - 9999999
Qty
Price
$3.76

Ref No
24
Part Number
20001-V06-033
Description
TRANSMISSION ASSY. (N/A: ORDER #25, 06200-V06-305 , & ADDIT'L PARTS IN PIB1
Serial Range
1000001 - 9999999

Ref No
25
Part Number
06200-V06-305
Description
TRANSMISSION KIT (SEE PIB #10-01)
Serial Range
1000001 - 9999999
Qty
Price
$457.20