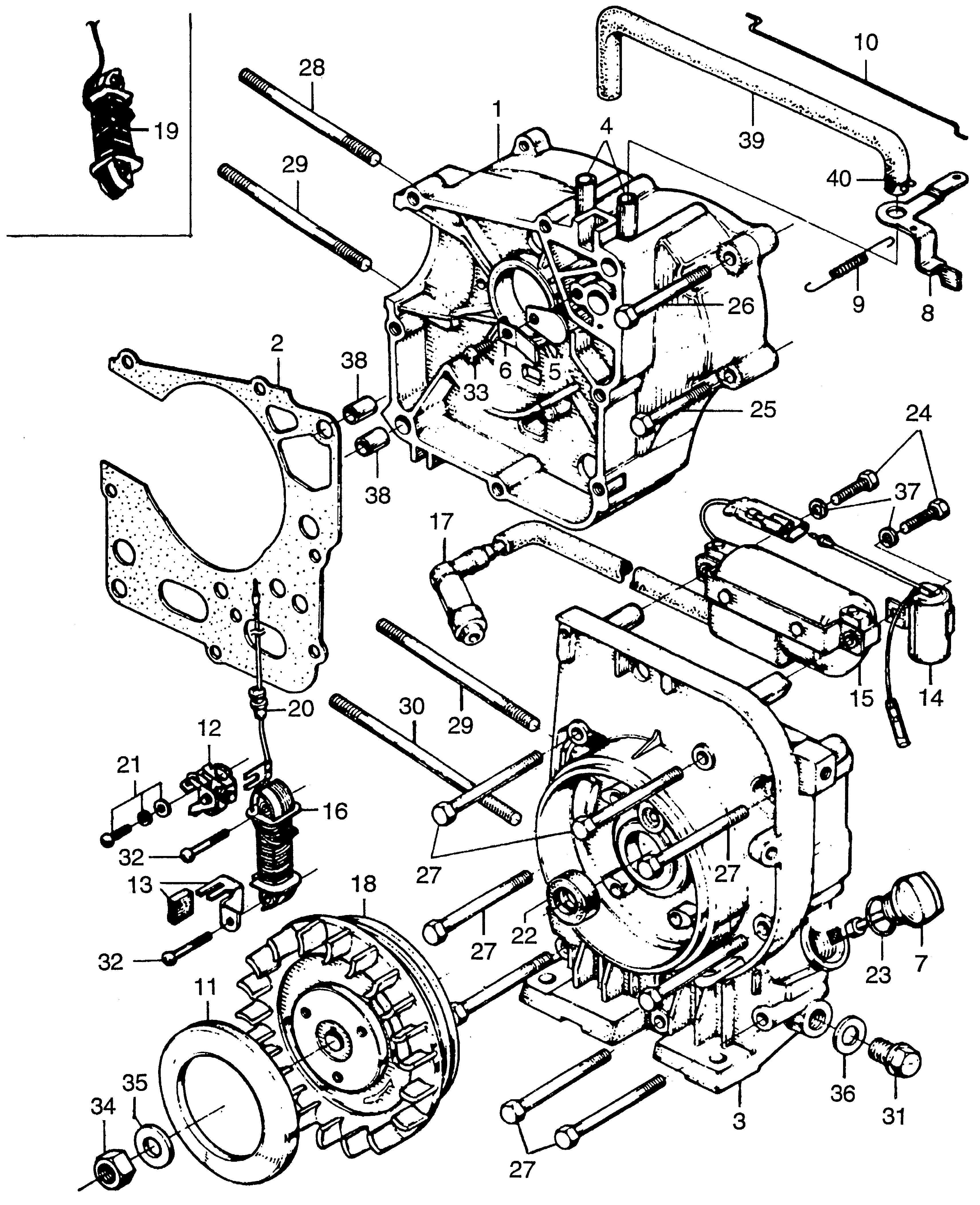
Generators E E900 E900 A E900-1006474-1028750 FLYWHEEL@CRANKCASE @IGNITION COIL - Frisco Lawn & Power Equipment

Ref No
Part Number
Description
Serial Range
Qty
Price

Ref No
1
Part Number
11101-844-010
Description
CRANKCASE, R.
Serial Range
1000001 - 9999999

Ref No
2
Part Number
11191-844-000
Description
GASKET, CRANKCASE (NOT AVAILABLE)
Serial Range
1000001 - 9999999

Ref No
3
Part Number
11201-844-000
Description
CRANKCASE, L.
Serial Range
1000001 - 9999999

Ref No
4
Part Number
11204-816-010
Description
JOINT, BREATHER (NOT AVAILABLE)
Serial Range
1000001 - 9999999

Ref No
5
Part Number
12372-844-000
Description
VALVE, BREATHER
Serial Range
1000001 - 9999999

Ref No
6
Part Number
12373-844-000
Description
STOPPER, BREATHER
Serial Range
1000001 - 9999999

Ref No
7
Part Number
15620-844-000
Description
CAP, OIL FILLER (NOT AVAILABLE)
Serial Range
1000001 - 9999999

Ref No
8
Part Number
16621-844-000
Description
LEVER, CHOKE
Serial Range
1000001 - 9999999

Ref No
9
Part Number
16623-844-000
Description
SPRING, CHOKE LEVER (NOT AVAILABLE)
Serial Range
1000001 - 9999999

Ref No
10
Part Number
16625-844-000
Description
ROD, CHOKE (NOT AVAILABLE)
Serial Range
1000001 - 9999999

Ref No
11
Part Number
28433-816-010
Description
COVER, SEAL (NOT AVAILABLE)
Serial Range
1000001 - 9999999

Ref No
12
Part Number
30202-063-004
Description
POINTS
Serial Range
1000001 - 9999999

Ref No
13
Part Number
30205-816-650
Description
FELT, OIL (DENSO) (NOT AVAILABLE)
Serial Range
1000001 - 9999999

Ref No
14
Part Number
30250-844-004
Description
CONDENSER
Serial Range
1000001 - 9999999
Qty
Price
$31.26

Ref No
15
Part Number
30500-844-405
Description
COIL, IGNITION (NOT AVAILABLE)
Serial Range
1000001 - 9999999

Ref No
15
Part Number
30500-844-711
Description
COIL, IGNITION
Serial Range
1000001 - 9999999

Ref No
16
Part Number
30560-844-004
Description
COIL, IGNITION (NOT AVAILABLE)
Serial Range
1000001 - 9999999
Qty
Price
$60.75

Ref No
17
Part Number
30700-KE2-942
Description
CAP ASSY., NOISE SUPPRESSOR
Serial Range
1000001 - 9999999
Qty
Price
$23.12

Ref No
18
Part Number
31120-844-004
Description
FLYWHEEL (NOT AVAILABLE)
Serial Range
1000001 - 9999999

Ref No
19
Part Number
31520-830-168
Description
COIL ASSY., EXCITER
Serial Range
1000001 - 1009820

Ref No
19
Part Number
31520-844-600
Description
COIL ASSY., EXCITER (NOT AVAILABLE)
Serial Range
1009821 - 9999999

Ref No
20
Part Number
32901-816-000
Description
GROMMET, WIRE (NOT AVAILABLE)
Serial Range
1009821 - 9999999

Ref No
21
Part Number
90018-816-000
Description
SCREW, STOP (NOT AVAILABLE)
Serial Range
1000001 - 9999999

Ref No
22
Part Number
91211-044-000
Description
OIL SEAL (15X25X6)
Serial Range
1000001 - 9999999

Ref No
22
Part Number
91211-044-003
Description
OIL SEAL (15X25X6) (NOT AVAILABLE)
Serial Range
1000001 - 9999999

Ref No
23
Part Number
91303-800-000
Description
O-RING (16MM)
Serial Range
1000001 - 9999999

Ref No
23
Part Number
91304-MJ0-003
Description
O-RING (15.8X2.4) (SHOWA)
Serial Range
1000001 - 9999999

Ref No
24
Part Number
92101-05025-0A
Description
BOLT, HEX. (5X25)
Serial Range
1000001 - 9999999
Qty
Price
$1.62

Ref No
25
Part Number
92101-06032-0A
Description
BOLT, HEX. (6X32)
Serial Range
1000001 - 9999999
Qty
Price
$2.10

Ref No
26
Part Number
92101-06045-0A
Description
BOLT, HEX. (6X45) (SOURCE: VINTAGE PARTS INC.)
Serial Range
1000001 - 9999999
Qty
Price
$1.62

Ref No
27
Part Number
92000-06056
Description
BOLT, HEX. (6X56)
Serial Range
1000001 - 9999999

Ref No
27
Part Number
92000-06056-0A
Description
BOLT, HEX. (6X56) (NOT AVAILABLE)
Serial Range
1000001 - 9999999

Ref No
28
Part Number
92700-06080
Description
BOLT, STUD (6X80) (NOT AVAILABLE)
Serial Range
1000001 - 9999999

Ref No
29
Part Number
92700-06090
Description
BOLT, STUD (6X90) (NOT AVAILABLE)
Serial Range
1000001 - 9999999

Ref No
30
Part Number
92900-06104-0B
Description
BOLT, STUD (6X116)
Serial Range
1000001 - 9999999
Qty
Price
$4.58

Ref No
31
Part Number
92800-12000
Description
BOLT, DRAIN PLUG (12MM)
Serial Range
1000001 - 9999999
Qty
Price
$4.72

Ref No
32
Part Number
93500-04020-0A
Description
SCREW, PAN (4X20)
Serial Range
1000001 - 9999999
Qty
Price
$1.00

Ref No
33
Part Number
93500-05008-0A
Description
SCREW, PAN (5X8)
Serial Range
1000001 - 9999999
Qty
Price
$1.06

Ref No
34
Part Number
94030-10200
Description
NUT, HEX. (10MM)
Serial Range
1000001 - 9999999
Qty
Price
$1.18

Ref No
35
Part Number
90411-706-000
Description
WASHER (10MM) (NOT AVAILABLE)
Serial Range
1000001 - 9999999

Ref No
36
Part Number
94109-12000
Description
WASHER, DRAIN PLUG (12MM)
Serial Range
1000001 - 9999999
Qty
Price
$1.50

Ref No
37
Part Number
94111-05000
Description
WASHER, SPRING (5MM)
Serial Range
1000001 - 9999999
Qty
Price
$1.38

Ref No
38
Part Number
94301-10160
Description
PIN, DOWEL (10X16)
Serial Range
1000001 - 9999999
Qty
Price
$3.00

Ref No
39
Part Number
95001-70000
Description
TUBE (7X224) (NOT AVAILABLE)
Serial Range
1000001 - 9999999

Ref No
39
Part Number
95001-70350
Description
TUBE (7X224)
Serial Range
1000001 - 9999999

Ref No
40
Part Number
95002-02120
Description
CLIP, TUBE (B12)
Serial Range
1122001 - 9999999
Qty
Price
$2.44

Ref No
40
Part Number
95002-70000
Description
CLIP, TUBE (C11)
Serial Range
1000001 - 1122000
Qty
Price
$2.00